Washington DC Lighting Remodel & Renovation Contractors
Light, or the lack thereof, plays a significant part in all of our lives. High-quality lighting can affect an individual’s quality of life and positively influence their mood. Conversely, poor lighting can cause frustration, contribute to loss of eyesight, and exacerbate depression. Therefore, it is of upmost importance to carefully consider all your options when planning lighting for a new or remodeled home. One must keep in mind that a well designed lighting scheme can transform a living space from ordinary, to magnificent!
There are countless lighting fixtures available, with multiple styles and functions from which to choose; therefore, it is necessary to have a clear idea of the look you are aiming for. For design purposes, lighting can be broken down into three different categories:
- General Lighting – light needed to navigate an area.
- Task Lighting – light needed to perform specific tasks.
- Accent Lighting – light used to highlight a special area or create an atmosphere.
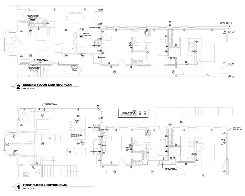
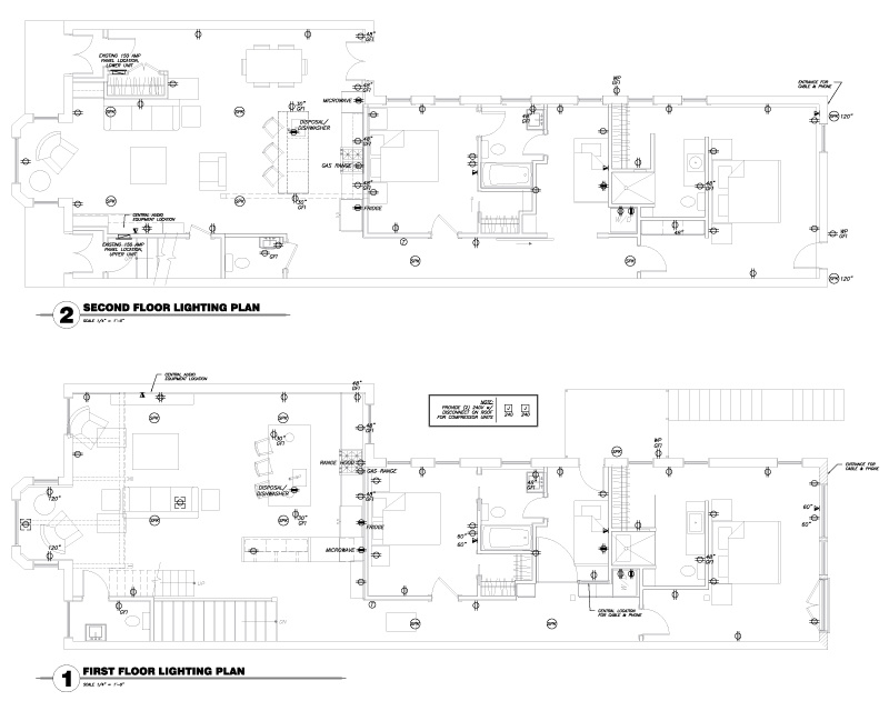
For the project at Fairmont Street we wanted to achieve a contemporary/industrial look, while keeping the system as energy efficient as possible. Our designer presented a number of lighting designs to the client, achieving maximum energy efficiency by using all LED fixtures, and placing dimmers on all light switches. (Final lighting plan pictured at the bottom of the page.) As outlined below, our lighting scheme incorporated fixtures from all three categories.
General Lighting:
- Five-inch recessed lighting (sometimes referred to as high hats) installed in rooms throughout the house (approximately 25 per floor).
- Outside lamps at the front and rear entries.
Task Lighting:
- Under-cabinet lighting in kitchen (both floors).
- Pendant lights over second floor kitchen island (both floors).
- Reading lamps in living areas and by beds (both floors).
- Spotlights in laundry rooms over ironing/folding tables (both floors).
Accent Lighting:
- Directional three-inch recessed lighting down main hallway to accent exposed brick party wall (both floors).
- Directional three-inch recessed lights to highlight built-in entertainment center (both floors).
- Back-lights in mirror in second floor master bathroom.
- Directional lights under floating vanity in first floor master bathroom.
- Up-lighting above kitchen upper cabinets.
- Low voltage puck lights in kitchen cabinetry with glass doors (both floors).

